PDM User Manual
Introduction
Link's Razor PDM is an advanced, fully programmable microprocessor-controlled Power Distribution Module.
It uses solid-state power devices, upgrading and replacing traditional relays and fuses to simplify wiring and better control power consumers.
Housed in a high-quality, sealed, CNC machined aluminium enclosure, with status LEDs for all 12 outputs, power, and temperature.
Configuration is carried out using the PDM Link PC software, where the user can combine any number of CAN and physical I/O to create a custom power control strategy.

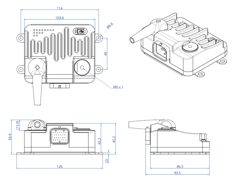
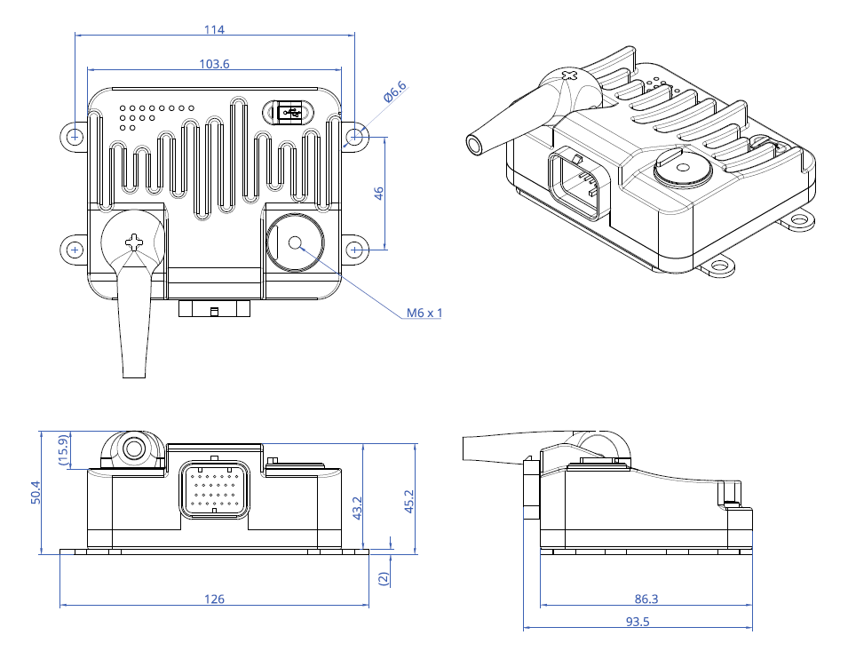
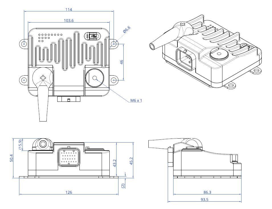
Razor dimensions - Including mounting bracket
High Power Outputs | 4 x High power outputs. |
|---|---|
Multi-Purpose I/O | 8 x "ADIO" - Analog-Digital-Input-Outputs All 8 capable of analog input and digital/switched input All 8 capable of highside drive on/off output 4 x capable of PWM output. Highside drive only. 10kHz max (ADIO 1-4) 4 x capable of PWM/Frequency/Duty cycle/Speed input. 10kHz max (ADIO 5-8) Software controlled pull-ups (4k7 to 5V) 8A output, overcurrent protected but current limit is not user Max input voltage 12V, max measurable voltage 5V |
Power | 6 - 24V operating range (across main terminals) 12 and 16 Volt nominal systems supported 4.5V - 5.5V USB (Low power mode, configuration only) <300mA No output static current draw 5V Sensor supply Sensor ground |
Communication | USB (C type connector) CAN BUS, user configurable bit rate |
Physical | Dimensions - (L) 103.6 mm x (W) 93.45 mm x (H) 43.19 mm Weight - 0.475 kg |
Environment | Water resistant -40 to +80 °C operating temperature |
Safety Notice & Disclaimer
Your Link Razor PDM is designed to improve power distribution for a range of applications. Failure to follow all installation and operating instructions may result in damage to the PDM, personal injury, or harm to property. Installation should be carried out by a qualified professional. Link Engine Management will not be held responsible for any damage caused by the incorrect installation of this product. The Razor PDM is not intended to be used on safety-critical systems such as ABS braking, power steering etc.